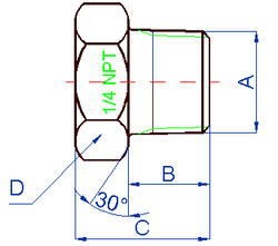
Threaded plugs with NPT thread - ZZT
| TYPE | A | B | C | D |
| ZZT 18 | 1/8 NPT | 11 | 16 | 6 HR 14 |
| ZZT 14 | 1/4 NPT | 16 | 23 | 6 HR 17 |
| ZZT 38 | 3/8 NPT | 16 | 23 | 6 HR 19 |
| ZZT 12 | 1/2 NPT | 22 | 31 | 6 HR 24 |
| ZZT 34 | ¾ NPT | 22 | 32 | 6 HR 30 |
| ZZT 100 | 1 NPT | 25 | 37 | 6 HR 36 |
| Use: | Closure of unused welds and pressure outlets with NPT thread | |||
| Work pressure: | PN 63 | |||
| Operating temperature: | - 20 to + 150 °C | |||
| Material: | Carbon unalloyed steel, galvanized | |||
| Design: | The plug is marked with the type of thread | |||
| Order example: | THREADED PLUG ZZT 12 | |||
| Can be delivered by agreement: | - with inspection document according to ČSN EN 10204 - from another material (corrosion-resistant steel, etc.) |
|||

